かりおかの実験室

実(体)験を書き綴っています。買ってみた。作ってみた。やってみた。行ってみた。使ってみた。・・・などなど。

2020-07-01から1ヶ月間の記事一覧

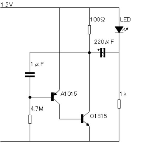
電子警告灯リニューアル

この記事には、回路図が掲載されていますが、なんら動作を保証するものではありません。参考にされる場合は、全てにおいて自己責任でお願い致しますぅ~<(_ _)>゛********************************************************************************以前…

ラジオを修理してみました。

以前、自前でボリュームの交換をしたことのある愛用のラジオです。(National Panasonic RF-577)再び調子が悪くなってから1年くらい経つでしょうか。こんな症状になっていました。FMを受信すると、突然音が小さくなったり大きくなったりする(-ε"-)音が小…

マウスの自動クリックタワーの製作

先日、音声でマウスをクリックさせる装置について書きましたが、これが予想以上に便利だったので、パソコンの傍に備え付けることにしました(`_´)/何か作業をしていたり、パソコンの前でストレッチ等をしているときでも、手を叩いたり、舌を鳴らしたりする…

過放電状態のエネループを復活させてみました。

この記事の内容は、あくまで実験です。事故や不利益が生じてもなんら保証はできませんので、まねはされないようにお願い致します。~~~~~~~~~~~~~~~~~~~~~~~~~~~~オモチャに入れっぱなしだったエネループが見つかり、先日購入の…