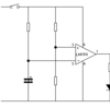
前回の回路を眺めているうちに、ふと、改良を思いつきました( ・_・)フト 
トランジスタの1つをサイリスタに置き換えてみたわけですが、サイリスタは微小な電流でトリガできますので、電源を入れているとき(定常状態)の消費電流をグッと減少させることができましたo(^-^)oグッ
上記実験の回路では、実測で約0.1mAでした。
見てやってください。
動作は以前と同じですね('-'*)ゞ
~~~~~~~~~~~~~~~~~~~~~~~~~~~~
この記事には続きがあります。
電源を入れたとき、切ったときに、一瞬リレーがON-OFFする回路の実験 -その3-